晶振中心
進口晶振
- SMI晶振
- KDS晶振
- 精工晶振
- 西鐵城晶振
- 愛普生晶振
- 村田晶振
- 日本NDK晶體
- 京瓷晶振
- 臺灣TXC晶振
- 泰藝晶振
- 亞陶晶振
- 希華晶體
- 臺灣津綻晶體
- 美國CTS石英晶振
- 加高晶體
- 大河晶振
- 鴻星晶振
- 富士石英晶體
- AKER晶振
- Lihom晶振
- NAKA晶振
- NKG晶振
- NJR晶振
- Sunny晶振
石英晶體諧振器
歐美晶振
- Abracon晶振
- ECS晶振
- Golledge晶振
- ILSI晶振
- FOX晶振
- fujicom晶振
- AEK晶振
- CRYSTEK晶振
- interquip晶振
- Geyer晶振
- quartzcom晶振
- qantek晶振
- EUROQUARTZ晶振
- quarztechnik晶振
- Cardinal晶振
- FRE-TECH晶振
- KVG晶振
- wi2wi晶振
- AEL晶振
- Transko晶振
- suntsu晶振
- mmdcomp晶振
- MERCURY晶振
- MTRONPTI晶振
- RALTRON晶振
- Microcrystal晶振
- SITIME晶振
- IDT晶振
- Pletronics晶振
- STATEK晶振
- Rakon晶振
- ConnorWinfield晶振
- JAUCH晶振
- VECTRON晶振
- Greenray晶振
- ECLIPTEK晶振
- ACT晶振
- MTI-milliren晶振
- Rubyquartz晶振
- Oscilent晶振
- SHINSUNG晶振
- ITTI晶振
- PDI晶振
- IQD晶振
- Microchip晶振
- Silicon晶振
- Fortiming晶振
- CORE晶振
- NIPPON晶振
- NICKC晶振
- QVS晶振
- Bomar晶振
- Bliley晶振
- GED晶振
- FILTRONETICS晶振
- STD晶振
- Q-Tech晶振
- Anderson晶振
- Wenzel晶振
- NEL晶振
- EM晶振
- PETERMANN晶振
- FCD-Tech晶振
- HEC晶振
- FMI晶振
- Macrobizes晶振
- AXTAL晶振
- ARGO晶振
- Skyworks晶振
- Renesas瑞薩晶振
數碼產品
智能家電
時計產品
車載產品
石英晶體振蕩器

AEL石英晶體諧振器,ELM3-24.000MHz-D2X-T,汽車音響晶振,英國進口晶振,AEL艾爾晶振,型號:ELM3晶振,編碼為:ELM3-24.000MHz-D2X-T,頻率為:24.000MHz,小體積晶振尺寸:5.0x3.2mm封裝,陶瓷SMD晶體,兩腳貼片晶振,石英晶體諧振器,無源晶振,石英晶振,SMD石英晶體,無鉛環保晶振,工作溫度范圍:-40℃至+85℃。具有超小型,輕薄型,高精度,高性能,高品質,高溫度等特點。貼片晶振,被廣泛應用于:移動通訊設備,汽車音響,導航儀,無線網絡,藍牙模塊,平板電腦,智能手機,智能家居,物聯網,醫療設備,安防設備等應用。

AEL石英晶體諧振器,ELM3-24.000MHz-D2X-T,汽車音響晶振,參數表
STANDARD SPECIFICATIONS | |||||||||||||
PARAMETERS | MAX (Unless otherwise noted) | ||||||||||||
Frequency Range Fundamental 3rd Overtone |
24.000MHz | ||||||||||||
Operation Mode |
Fundamental or 3rd Overtone |
||||||||||||
Operating Temperature | -10°C to +60°C, see options | ||||||||||||
Storage Temperature | -40°C to +90°C | ||||||||||||
Frequency Tolerance @ 25°C | ± 50PPM, see options | ||||||||||||
Frequency Stability over the Operating Temperature (ref. to +25°C) |
± 50PPM, see options | ||||||||||||
Equivalent Series Resistance (ESR) 8.000 ≤ F < 9.000 (Fund) 9.000 ≤ F < 10.000 (Fund) 10.000 ≤ F < 16.000 (Fund) 16.000 ≤ F < 20.000 (Fund) 20.000 ≤ F < 30.000 (Fund) 30.000 ≤ F ≤ 54.000 (Fund) 54.000 < F ≤ 80.000 (3rd OT) |
140 Ω 120 Ω 60 Ω 40 Ω 30 Ω 25 Ω 60 Ω |
||||||||||||
Shunt Capacitance (C0) | 7.0 pF | ||||||||||||
Load Capacitance (CL) | 18 pF, Standard (see options if other than STD) | ||||||||||||
Drive Level |
10 μW Typ 100 μW |
||||||||||||
Aging (@25°C±3°C First year ) | ±5ppm | ||||||||||||
Insulation Resistance@ 100Vdc ± 15V | 500 MOhms | ||||||||||||
RoHS Compliant |
Yes, , Pb in Glass, exemption 7C-I per RoHS II Directive 2011/65/EU Annex |
||||||||||||
Pb Free | No | ||||||||||||
MSL | NA |
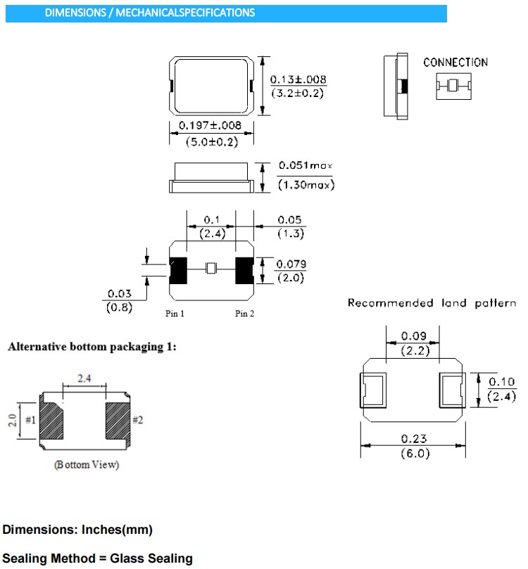
AEL石英晶體諧振器,ELM3-24.000MHz-D2X-T,汽車音響晶振,尺寸圖
AEL石英晶體諧振器,ELM3-24.000MHz-D2X-T,汽車音響晶振
產品特點:
SMD石英晶體諧振器
公差: ±15ppm可用
工作溫度-10°C至+60°C至-40°C至+125°C
產品編碼 | 進口晶振 | 頻率 | 長度 | 寬度 | 高度 |
ELLS-10.000MHz-20-R60-J-Q-F-T | AEL晶振 | 10 MHz | 12.3mm | 4.6mm | 4.3mm |
ELLS-12.000MHz-18-R60-A-4-F-T | AEL晶振 | 12 MHz | 12.3mm | 4.6mm | 4.3mm |
ELLS-13.560MHz-10-R35-A4Y-F-T | AEL晶振 | 13.56 MHz | 12.3mm | 4.6mm | 4.3mm |
ELLS-30.000MHz-10-R50-B1U-F-T | AEL晶振 | 30 MHz | 12.3mm | 4.6mm | 4.3mm |
ELLS-4.000MHz-16-R120-A4-F-T | AEL晶振 | 4 MHz | 12.3mm | 4.6mm | 4.3mm |
ELLS-4.000MHz-16-R120-B1X-F-T | AEL晶振 | 4 MHz | 12.3mm | 4.6mm | 4.3mm |
ELLS-4.000MHz-30-R120-D4-F-T | AEL晶振 | 4 MHz | 12.3mm | 4.6mm | 4.3mm |
ELLS-8.000MHz-16-R45-D4-F-T | AEL晶振 | 8 MHz | 12.3mm | 4.6mm | 4.3mm |
ELM10-16.000MHz-8-R60-2-D20-T | AEL晶振 | 16 MHz | 2.5mm | 2mm | 0.5mm |
ELM10-24.000MHz-16-R100-X-N15-T | AEL晶振 | 24 MHz | 2.5mm | 2mm | 0.5mm |
ELM11-32.000MHz-10-R60-D1X-T | AEL晶振 | 32 MHz | 2mm | 1.6mm | 0.5mm |
ELM3-12.000MHz-30-R80-D4Y-T | AEL晶振 | 12 MHz | 5mm | 3.2mm | 1mm |
ELM3-14.000MHz-30-R80-D4H-T | AEL晶振 | 14 MHz | 5mm | 3.2mm | 1mm |
ELM3-24.000MHz-18-R40-D4H-T | AEL晶振 | 24 MHz | 5mm | 3.2mm | 1mm |
ELM3-8.057MHz-18-R100-B4Y-T | AEL晶振 | 8.057 MHz | 5mm | 3.2mm | 1mm |
ELM8-12.000MHz-10-R50-D4Y-T | AEL晶振 | 12 MHz | 3mm | 2.5mm | 0.6mm |
ELM8-12.5829MHz-16-R60-1U-T | AEL晶振 | 12.5829 MHz | 3mm | 2.5mm | 0.6mm |
ELM8-14.000MHz-16-R150-B1U-T | AEL晶振 | 14.8 MHz | 3mm | 2.5mm | 0.6mm |
ELM8-18.432MHz-16-R80-DQ-T | AEL晶振 | 18.432 MHz | 3mm | 2.5mm | 0.6mm |
ELM8-24.000MHz-10-R60-D1W-T | 艾爾晶振 | 24 MHz | 3mm | 2.5mm | 0.6mm |
ELM8-24.000MHz-18-R60-B1W-T | AEL晶振 | 24 MHz | 3mm | 2.5mm | 0.6mm |
ELM8-24.000MHz-9-R40-N1U-T | AEL晶振 | 24 MHz | 3mm | 2.5mm | 0.6mm |
ELM8-26.000MHz-18-R60-B1U-T | AEL晶振 | 26 MHz | 3mm | 2.5mm | 0.6mm |
ELM8-32.000MHz-16-R40-B1U-T | AEL晶振 | 32 MHz | 3mm | 2.5mm | 0.6mm |
ELM8-32.000MHz-9-R40-D1G-T | AEL晶振 | 32 MHz | 3mm | 2.5mm | 0.6mm |
ELS07-32.768kHz-6-T | AEL晶振 | 32.768 kHz | 3.2mm | 1.5mm | 0.75mm |
ELS07-32.768kHz-T | AEL晶振 | 32.768 kHz | 3.2mm | 1.5mm | 0.75mm |
ELS13-32.768kHz-7-T | AEL晶振 | 32.768 kHz | 7mm | 1.5mm | 1.4mm |
ELS13-32.768kHz-7-T | AEL晶振 | 32.768 kHz | 7mm | 1.5mm | 1.4mm |
ELS13-32.768kHz-9-T | AEL晶振 | 32.768 kHz | 7mm | 1.5mm | 1.4mm |
ELS13-32.768kHz-T | AEL晶振 | 32.768 kHz | 7mm | 1.5mm | 1.4mm |
ELS13-32.768kHz-T | AEL晶振 | 32.768 kHz | 7mm | 1.5mm | 1.4mm |
ELS25-32.768kHz-6-2-T | AEL晶振 | 32.768 kHz | 8mm | 3.8mm | 2.4mm |
ELS25-32.768kHz-T | AEL晶振 | 32.768 kHz | 8mm | 3.8mm | 2.4mm |
ELS25-32.768kHz-T | AEL晶振 | 32.768 kHz | 8mm | 3.8mm | 2.4mm |
ELS06-32.768kHz-9-T | AEL晶振 | 32.768 kHz | 2mm | 1.2mm | 0.6mm |
ELS05-32.768kHz-9-T | AEL晶振 | 32.768 kHz | 1.6mm | 1mm | 0.5mm |
ELM12W-24.000MHz-6-R120-D7X-T | AEL晶振 | 24 MHz | 1.6mm | 1.2mm | 0.4mm |


SHENZHEN KONUAER ELECTRONICS CO.,LTD
電 話:0755-27838351
手 機:13823300879
Q Q:632862232
E-mail:konuaer@163.com
網 址:http://www.huaxiaqing.com
地 址:廣東深圳市寶安寶安大道東95號浙商銀行大廈1905