石英晶體振蕩器使用條件
來源:http://www.huaxiaqing.com 作者:康華爾電子 2018年09月15
石英晶體振蕩器的處理與其略有不同其他電子元件。請閱讀以下注意事項小心地正確使用石英晶體振蕩器確保設備的最佳性能。

1.電源旁路電容
使用石英晶振時,請放置一個約0.01的旁路電容μF,介于電源和GND之間(盡可能靠近產品終端盡可能)。
2.安裝表面貼裝晶體時鐘振蕩器
(1)安裝電路板后溫度快速變化
當安裝板的材料為表面安裝時陶瓷有晶體時鐘振蕩器封裝膨脹系數不同于陶瓷的膨脹系數材料,焊接的圓角部分可能會破裂,如果受到影響長時間反復發生極端溫度變化。你在這樣的條件下,建議情況是這樣的事先檢查過。
(2)通過自動安裝進行沖擊
當石英水晶振蕩器被吸附或吸入時自動安裝或超過的沖擊過程安裝振蕩器時會發生指定值板,振蕩器的特性會改變或惡化。
(3)板彎曲應力
將有源晶振焊接到印刷后板,彎曲板可能會導致焊接部分剝落關閉或振蕩器封裝由于機械應力而破裂。
3.抗跌落沖擊力
本產品設計得非常高抗自由落體沖擊(最多三次)。但是,如果錯誤地將產品從桌子等處丟棄,為確保最佳性能,建議您使用再次測量產品的性能或您要求我們再次測量它。
4.靜電
本產品使用CMOS IC作為其有源產品元素。因此,在一個環境中處理產品對抗靜電的措施拍攝。
5.耐高溫
關于貼片晶振耐高溫性,使用產品時在溫度為+ 125°C的極端環境中超過24小時,產品的所有特點無法保證。要特別注意存放產品在正確的溫度范圍內。
6. EMI
當您考慮EMI時,低電源電壓建議使用(例如2.5V,1.8V,1.5V或0.9V)。此外,請事先咨詢我們有關的組合針對上述EMI的兩種對策。
7.超聲波清洗
當進行石英振蕩器的超聲波清潔時根據其安裝狀態和清潔條件等,該產品的晶體振蕩器可能會發生共振斷裂。在超聲波清潔之前,請務必檢查條件。
8.特殊用途
請將水晶時鐘振蕩器用于特殊用途時歡迎與我們聯系。

測量的負載條件
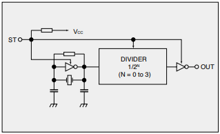
石英晶體振蕩器電路圖
(1)

(2)


1.電源旁路電容
使用石英晶振時,請放置一個約0.01的旁路電容μF,介于電源和GND之間(盡可能靠近產品終端盡可能)。
2.安裝表面貼裝晶體時鐘振蕩器
(1)安裝電路板后溫度快速變化
當安裝板的材料為表面安裝時陶瓷有晶體時鐘振蕩器封裝膨脹系數不同于陶瓷的膨脹系數材料,焊接的圓角部分可能會破裂,如果受到影響長時間反復發生極端溫度變化。你在這樣的條件下,建議情況是這樣的事先檢查過。
(2)通過自動安裝進行沖擊
當石英水晶振蕩器被吸附或吸入時自動安裝或超過的沖擊過程安裝振蕩器時會發生指定值板,振蕩器的特性會改變或惡化。
(3)板彎曲應力
將有源晶振焊接到印刷后板,彎曲板可能會導致焊接部分剝落關閉或振蕩器封裝由于機械應力而破裂。
3.抗跌落沖擊力
本產品設計得非常高抗自由落體沖擊(最多三次)。但是,如果錯誤地將產品從桌子等處丟棄,為確保最佳性能,建議您使用再次測量產品的性能或您要求我們再次測量它。
4.靜電
本產品使用CMOS IC作為其有源產品元素。因此,在一個環境中處理產品對抗靜電的措施拍攝。
5.耐高溫
關于貼片晶振耐高溫性,使用產品時在溫度為+ 125°C的極端環境中超過24小時,產品的所有特點無法保證。要特別注意存放產品在正確的溫度范圍內。
6. EMI
當您考慮EMI時,低電源電壓建議使用(例如2.5V,1.8V,1.5V或0.9V)。此外,請事先咨詢我們有關的組合針對上述EMI的兩種對策。
7.超聲波清洗
當進行石英振蕩器的超聲波清潔時根據其安裝狀態和清潔條件等,該產品的晶體振蕩器可能會發生共振斷裂。在超聲波清潔之前,請務必檢查條件。
8.特殊用途
請將水晶時鐘振蕩器用于特殊用途時歡迎與我們聯系。

測量的負載條件
石英晶體振蕩器電路圖
(1)

(2)

正在載入評論數據...
相關資訊
- [2024-02-18]CTS汽車級CA系列時鐘振蕩器
- [2024-01-20]TXC晶技5G通信專用小型7050mm恒...
- [2024-01-20]TXC恒溫晶體振蕩器新產品方案發...
- [2023-12-28]關于GEYER格耶品牌產品設計與支...
- [2023-12-28]GEYER格耶電子晶振公司的制品詳...
- [2023-11-06]Wi2Wi品牌發布其新的SN系列晶體...
- [2023-10-13]美國GED高質量時鐘晶體振蕩器
- [2023-09-25]H.ELE從原始石英晶體到精密晶體...